我們會使用網站分析技術來提升服務品質,請參閱我們的 隱私聲明
首頁      中古屋      新竹市      東區      住宅      2000-3000萬      當前房屋(S19025595)

有效期:2025-12-17 瀏覽人數:43 10   |   33)
分享

用Line掃描QR Code
分享給好友

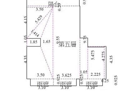
房屋圖片
售價波動
原始售價 750 萬元
波動日期 價格(萬元) 漲跌
2025-10-24 2598 (當前售價) 246.4%
2025-10-19 750
萬元
單價
:
參考月付:
${item.name}
${item.name}
(仲介,收取服務費)
已通過仲介職業認證
進入店鋪
經紀業:興築不動產仲介經紀有限公司 詳情
經紀業:興築不動產仲介經紀有限公司
公司名:永慶不動産(加盟店)
分公司:新竹園區加盟店
查看聯絡電話
0928-585-266
掃碼QRcode撥打電話
房聊
加好友
下載591APP,好屋帶著走

買房知識 換一換

    數據正在加載中...

大家都在問

1、房屋照片僅反應使用現況,用途以使用執照或謄本記載為準。刊登內容的法定用途與現況使用不同時,恐涉違反建管法規,有遭勒令拆 除、改建、停止使用或恢復原狀之風險,請消費者於購屋或承租前多加了解相關規定,以保障自身權益。

2、本公司所使用之所有內容,任何人不得擅自使用非經授權之智慧財產權內容,亦不得使用網路爬蟲或其他自動下載程式或任何其他類似或具相同功能的手動程序來連續自動搜索、獲得、使用、下載,如有違反,除依相關法律規定論處,並應對591負損害賠償責任,本公司將收取一個刊登物件內容,三千元計算之費用,您與本公司簽署正式合作合約前,應立即停止非經合法授權之行為。


3、依臺北市土地使用分區管制規則,本建物不可作住宅使用,請您於購屋或承租前瞭解清晰本建物合法用途,以保障自身消費權益。您可至「臺北市土地使用分區申請及查詢系統」查詢土地使用説明。
{{ dialogData.title }}
預約賞屋
出租
中古屋
新建案
您還沒有瀏覽記錄唷
關閉
您還沒有收藏物件哦
關閉